1.25Gbps SFP Optical Transceiver 20KM Reach
Features
Ø Data-rate of 1.25Gbps operation Ø 1310nm FP laser and PIN photodetector for 20KM transmission Ø Compliant with SFP MSA and SFF-8472 with duplex LC receptacle Ø Digital Diagnostic Monitoring: Internal Calibration or External Calibration Ø Compatible with SONET OC-24-LR-1 Ø Compatible with RoHS Ø +3.3V single power supply Ø Operating case temperature: Standard : 0 to +70°C Extended : -20 to +85°C Industrial : -40 to +85°
Optical and Electrical Characteristics
| Media Type: | Single-Mode Fiber (SMF) |
| TX Wavelength: | 1310 nm. |
| RX Wavelenght: | 1550 nm. |
| Minimum Optical Budget: | 13 dB |
| Maximum Distance: | 20km |
| Supported Data Rate: | 1.063-1.25Gbps |
| Supported Applications: | Gigabit Ethernet (1.25 Gbps), 1G Fiber Channel (1.0625 Gbps) |
| DDM/DOM: | Support |
| Temperature Range: | Standard 0°-70°C |
| Connectors: | Single LC |
| Tx Wavelength Bandwidth: | 40 nm (1290-1330 nm) |
| Rx Wavelength Bandwidth: | 40 nm (1530-1570 nm) |
| Minimum Transmitting Power: | -9 dB |
| Maximum Transmitting Power: | 3 dB |
| Receiver Sensitivity: | -22 dBm |
| Receiver Overload: | -3 dBm |
| Dispersion: | 140-160 ps/nm |
| Transmitter Type: | FP Laser |
| Receiver Type: | PIN photodiode |
| Power: | +3.3V single power supply |
| Chipset: | MAXIM, MINDSPEED, SEMTECH |
| Compliance: | CE, Class 1 FDA and IEC60825-1 Laser Safety Compliant, INF-8074i, RoHS, SFP MSA |
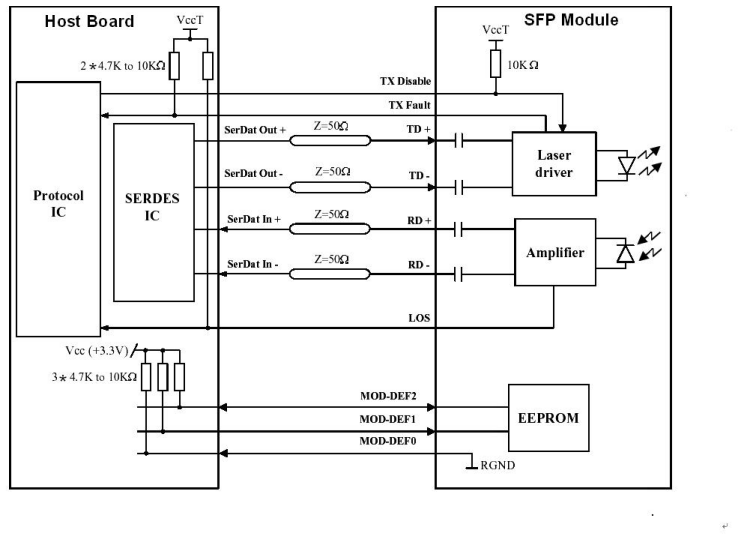
Recommended Interface Circuit
Applications
Ø Gigabit Ethernet Ø Fiber Channel Ø Switch to Switch interface Ø Switched backplane applications Ø Router/Server interface Ø Other optical transmission systems
Description
The SFP transceivers are high performance, cost effective modules supporting data-rate of 1.25Gbps and 10KM transmission distance with SMF.
The transceiver consists of three sections: a FP laser transmitter, a PIN photodiode integrated with a trans-impedance preamplifier (TIA) and MCU control unit. All modules satisfy class I laser safety requirements.
The transceivers are compatible with SFP Multi-Source Agreement (MSA) and SFF-8472. For further information, please refer to SFP MSA
Mechanical Dimensions
Compatible list
| Cisco module | HUAWEI module | ZTE module | Juniper module | TP-LINK module |
| GLC-T (10/100/1000) | SFP-FE-SX-MM1310-A | SFP-FX/OC3-M2K | ES8512-3LCD05 | TL-SM311LM |
| GLC-LH-SMD | SFP-FE-LH40-SM1310 | SFP-GE-S10K | ES3112-3LCD10 | TL-SM321A |
| GLC-SX-MMD | ESFP-GE-SX-MM850 | SFP-GE-S40K | ESP8592-3LCD03 | TL-SM321B |
| GLC-EX-SMD1 | SFP-GE-LH40-SM1310 | SFP-GE-S80K | ESP3192-3LCD10 | TXM431-LR |
| GLC-ZX-SMD | SFP-GE-LH40-SM1550 | SFP-GE-S120K | TXM431-SR | |
| GLC-BX-D | SFP-FE-LH80-SM1550 | XFP-10G-S40K | ||
| GLC-BX-U | XFP-SX-MM850 | XFP-10G-S10K | ||
| CWDM SFP | XFP-LX-SM1310 | XFP-10GE-M | ||
| DWDM SFP | XFP-LH40-SM1550-F1 |

